Андрей Иващенко
Руководитель ТИМ-отдела Проектного института «Пластполимер-Сибирь»
По данным исследования ГК «СиСофт» и НИУ «МЭИ», объем рынка технологий информационного моделирования в строительстве и промышленности оценивается в 100 млрд руб. в год. Практика показывает, что успех внедрения ТИМ-технологий на промышленных предприятиях зависит от множества факторов, включая уровень подготовки сотрудников, наличие квалифицированных менеджеров и правильный выбор пилотного проекта. Об опыте внедрения программного комплекса Model Studio CS российского разработчика «СиСофт Девелопмент» — в кейсах компании «Пластполимер-Сибирь».
В 2023 году «Пластполимер-Сибирь» приобрела у «СиСофт Девелопмент» лицензии на использование ПО Model Studio CS, а также заключила договоры на техническую поддержку и обучение сотрудников. Изначально роль ТИМ-менеджера была возложена на специалиста ИТ-отдела, который не имел необходимых профессиональных компетенций и опыта ведения подобных проектов. Кроме того, реализация откладывалась из-за высокой загрузки инженерного персонала. Специалисты не успели в полной мере освоить новый инструмент и едва не поставили под угрозу срыва сроки сдачи важного проекта.
Этот негативный опыт заставил руководство пересмотреть стратегию внедрения ТИМ. В компанию привлекли опытного ТИМ-менеджера, который возглавил проект и разработал стратегию долгосрочного развития направления. Была создана внутренняя база знаний — специализированный интернет-портал с информацией о новых технологиях, методах работы, а также видеоматериалы. В начале 2024 года более 15 специалистов прошли обучение в рамках семи специализированных курсов.
Завод «Омский каучук»
Первым кейсом стала работа над техническим перевооружением площадки цеха по производству метил-трет-бутилового эфира для компании «Омский каучук». Была поставлена задача максимально задействовать существующую производственную инфраструктуру. Сначала работа осуществлялась в двумерном виде с использованием AutoCAD. Однако рост технологического наполнения потребовал внедрения методов перекрестной проверки всех разделов проекта на возможные конфликты и коллизии. Для решения этой задачи специалисты перешли к созданию 3D-моделей в среде Model Studio CS. Затем была проведена проверка трехмерных моделей на наличие коллизий в специальном программном обеспечении CADLib «Модель» и «Архив». Выявленные несоответствия устранили посредством внесения изменений в рабочие чертежи. Готовые трехмерные модели были предоставлены подрядным организациям на строительной площадке и техническим службам заказчика, что способствовало быстрому и глубокому погружению всех специалистов в особенности проекта и принятию оперативных решений на строительной площадке. В дальнейшем трехмерные модели, дополненные необходимой информацией, службами завода планируют использовать при эксплуатации объекта на протяжении всего жизненного цикла.
«Пластполимер-Сибирь» разрабатывает 3D-модели для демонстрации заказчику возможностей использования информационных моделей при эксплуатации производства. В них указана вся информация по каждой единице оборудования и по каждой линии технологических трубопроводов, в том числе даты ввода в эксплуатацию, последнего испытания, прохождения экспертизы промышленной безопасности. Также будет приложена конструкторская документация к соответствующему оборудованию. Использование подобных моделей значительно облегчит труд линейного производственного персонала и предоставит возможность руководству, сотрудникам смежных подразделений оперативно получать информацию о любой единице оборудования не выходя из кабинета.

Проект «Техническое перевооружение площадки цеха МТБЭ по производству метил-трет-бутилового эфира» для компании «Омский каучук»

Учтено пожелание заказчика максимально использовать при проектировании существующую инфраструктуру производственного цеха
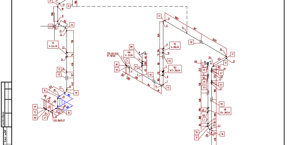
«Газпромнефть — Каталитические системы»
Следующим важным шагом для «Пластполимер-Сибирь»стала работа над проектом «Газпромнефть — Каталитические системы». Было проведено лазерное сканирование блочно-модульных установок. После сбора исходных данных «облако точек» подверглось обработке в специализированном ПО nanoCAD «Облака точек», где было реализовано эффективное распознавание элементов трубопроводных конструкций, позволяющее автоматически получать модели труб и осевых линий. Затем полученные данные были переданы в технологический отдел для разработки трехмерных моделей установок с использованием программного комплекса Model Studio CS Трубопроводы. На их основе были созданы точные изометрические схемы и соответствующие спецификации оборудования.
Применение новых инструментов всегда связано с определенными сложностями. Одна из них заключается в отсутствии отечественных аналогов многих комплектующих, что затрудняет сбор всех необходимых сведений для построения виртуальных моделей. Кроме того, обработка большого объема данных требует мощных вычислительных ресурсов, особенно когда речь идет о крупных производственных предприятиях. Также возникает проблема совместимости разных программных продуктов. Однако преимущества отечественных решений очевидны за счет повышения точности проектирования, экономии ресурсов и увеличения эффективности принятия решений на этапе строительства и эксплуатации объекта.

3D-модель в Model Studio CS «Трубопроводы», полученная в результате лазерного сканирования

Изометрическая схема установок на основе 3D-модели в Model Studio CS «Трубопроводы»





.gif)